Jak działa TCM Sensor T BATT

TCM Sensor T wyposażony w moduł GSM i kartę SIM automatycznie przesyła pomiary temperatury do panelu online.
System zapewnia stały dostęp do danych i analiz z podłączonych czujników, umożliwiając monitorowanie warunków w czasie rzeczywistym.

Zobacz, co zyskasz

W zestawie znajdziesz

Specyfikacja techniczna

ParametrWartość
Napięcie zasilania4,5 V DC (3 x LR20)
Maksymalny pobór prądu30 mA
KomunikacjaGSM
Temperatura pracyod -5 °C do +50 °C
Maksymalna liczba czujnikówdo 5
Maksymalna długość magistralido 60 m
Zakres pomiarowyod -55 °C do 100 °C
Rozdzielczość0,1 °C
Dokładność±0,5 °C od -10 °C do 85 °C
Wymiary105 × 176 × 83 mm
Stopień ochrony IPIP 54

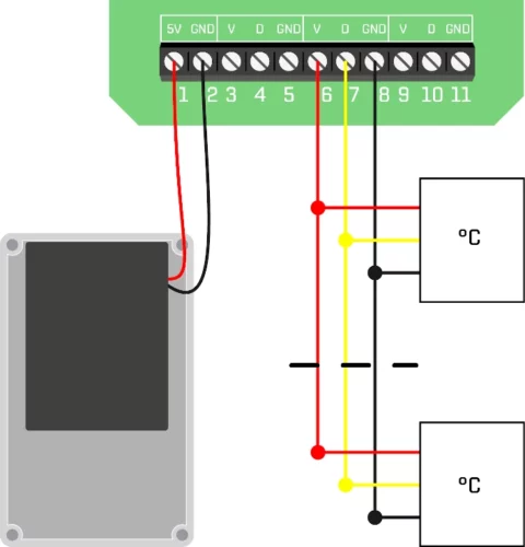
Schemat podłączenia

Oszczędność na każdym obiekcie